搜索关闭按钮
日期:2020-12-04 来源:行业资讯 浏览:4108

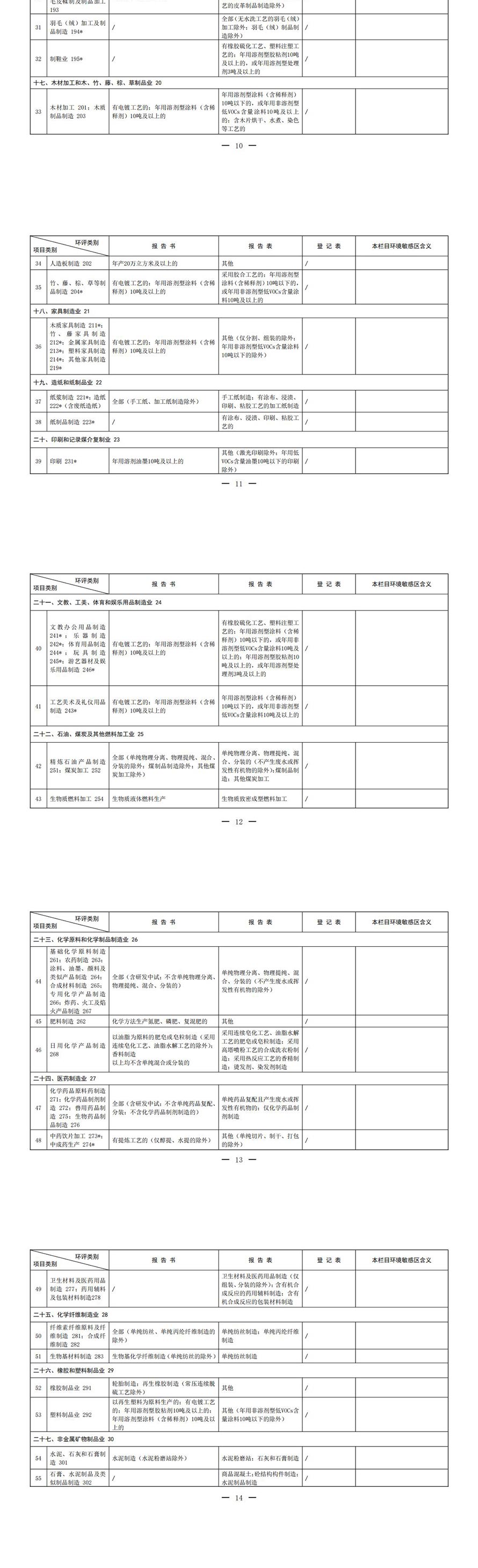
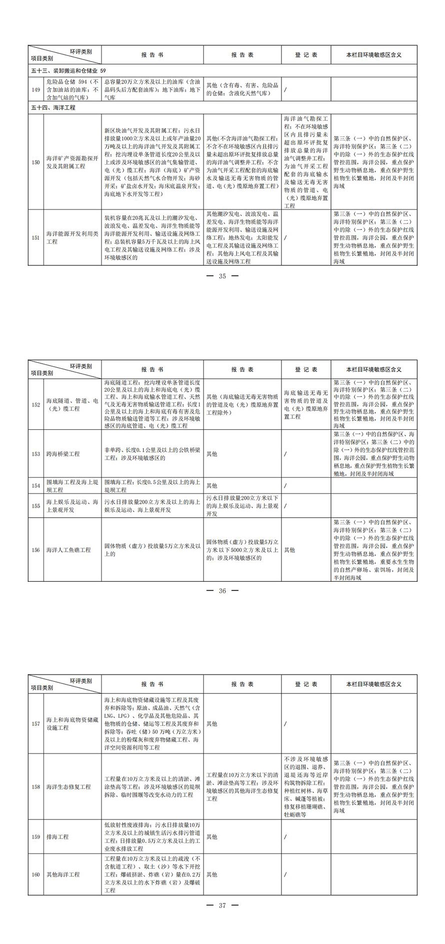
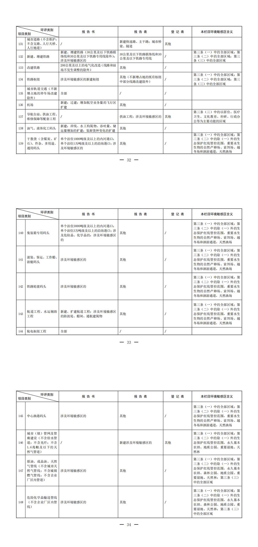
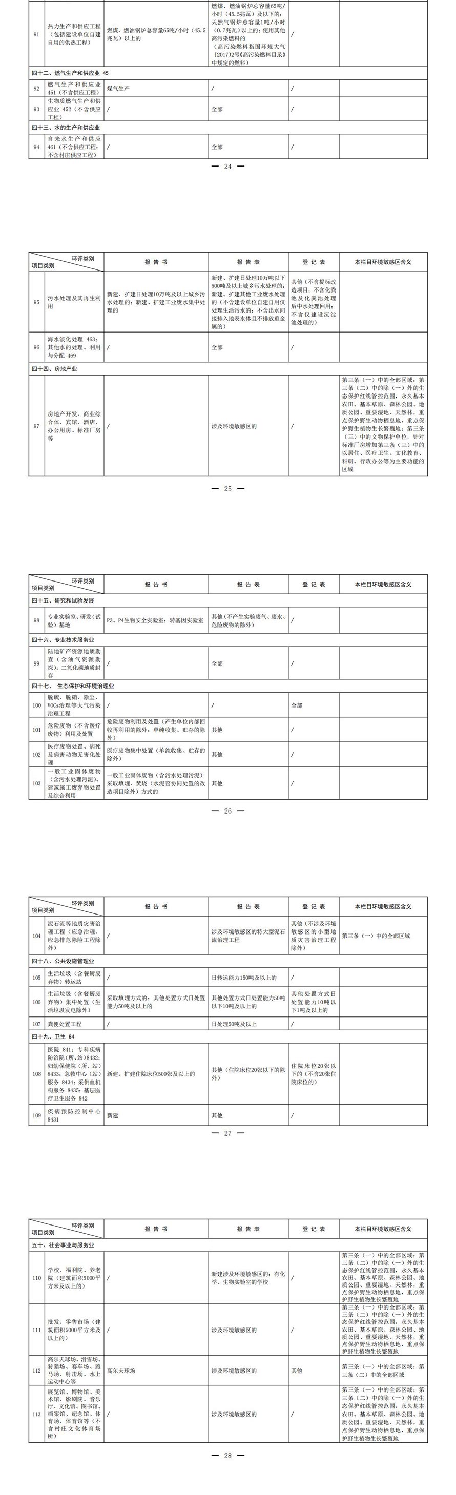
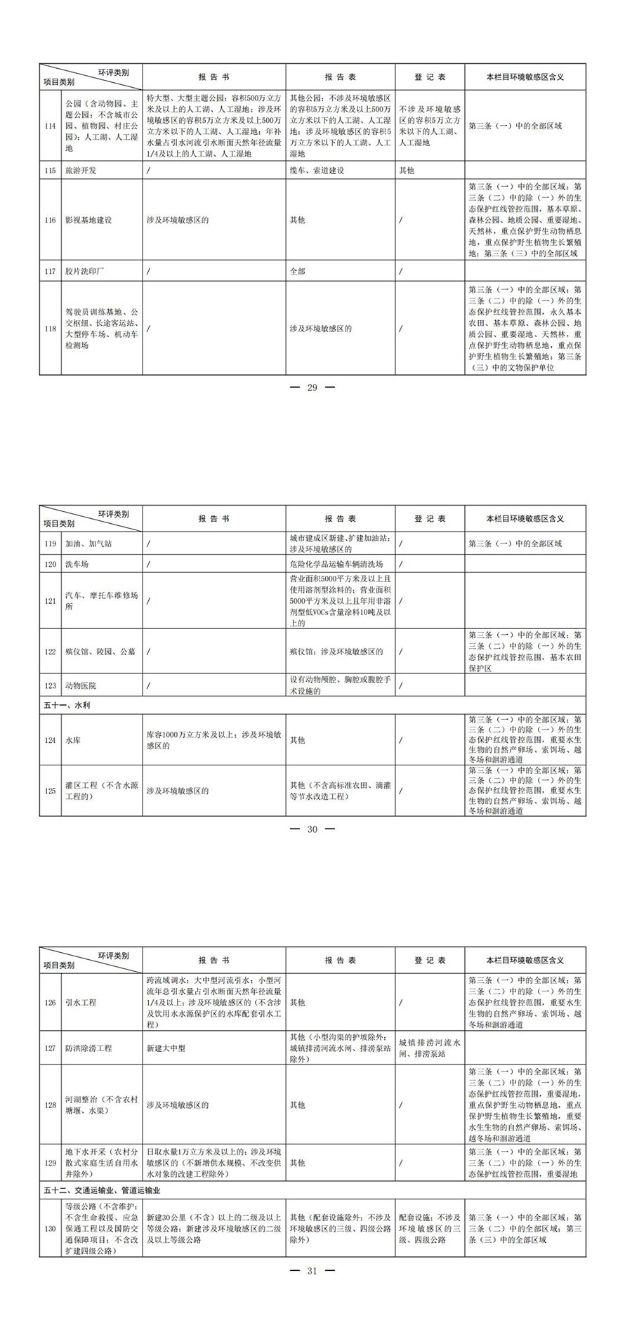
《建设项目环境影响评价分类管理名录(2021年版)》已于2020年11月5日由生态环境部部务会议审议通过,现予公布,自2021年1月1日起施行。

  生态环境部部长 黄润秋

  2020年11月30日

存量垃圾挖采分选资源转化科研合作
2021年11月20日—东莞寮步项目正式复工
2020年中国—东盟国际环保展东盟国际先进环保技术推介交流会
我国垃圾焚烧发电现状与分析
广东省污染防治攻坚战治理技术、装备、服务展示交流对接会在莞举行
关于宣传贯彻《中华人民共和国固体废物污染环境防治法》的通知 (转载)
服务热线

14900012147

地址:西藏自治区 经济开发区 长安街51号
© 2020 广东蓝鲸体育直播集团有限公司保留所有权利 京ICP备10031052号
技术支持:米可网络